產品展示
聯系我們contact us
0510-88230668全國服務熱線:
總經理:鄧先生 13906187322
電???話:0510-88230668 88230085
傳???真:0510-88230985
網???址:m.wwwdisise.cn
郵???箱:sales@wxadyy.com
郵???箱:168dengjianping@163.com
地???址:無錫市新吳區坊前工業園
電???話:0510-88230668 88230085
傳???真:0510-88230985
網???址:m.wwwdisise.cn
郵???箱:sales@wxadyy.com
郵???箱:168dengjianping@163.com
地???址:無錫市新吳區坊前工業園
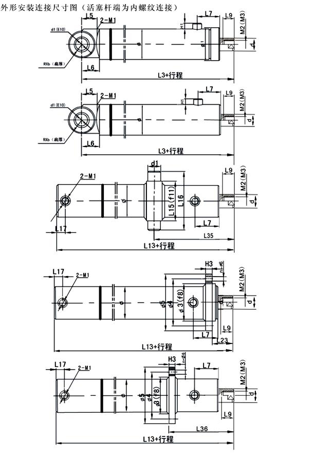
HSG系列工程液壓缸

HSG-01系列工程液壓油缸
本系列液壓缸具有結構簡單,工作可靠,拆裝方便易維修,可帶緩沖裝置及連接方式多樣等特點。適用于工程機械、礦山機械、起重運輸機械等行業。
本系列液壓缸具有結構簡單,工作可靠,拆裝方便易維修,可帶緩沖裝置及連接方式多樣等特點。適用于工程機械、礦山機械、起重運輸機械等行業。
上一篇:L3DA-H螺旋擺動油缸
下一篇:HSG系列工程液壓缸
![無錫奧達氣動液壓工程有限公司[官網]](/skin/images/logo.png)




